Anzahl Durchsuchen:178 Autor:Site Editor veröffentlichen Zeit: 2024-05-16 Herkunft:Powered
Material
1.4112 (S46990, S44003, SUS440B, X90CRMOV18)
Chemische Zusammensetzung
C: 0,85 ~ 0,95%; Si: ≤ 1,0%; Mn: ≤ 1,0%; P: ≤ 0,04%; S: ≤ 0,015%; CR: 17 ~ 19%; MO: 0,9 ~ 1,3%; V: 0,07 ~ 0,12 %; Fe: Saldo
Materialeigenschaften
Dichte: 7,7 g/cm³; Zugfestigkeit: 590mpa; Ertragsfestigkeit: 245mpa; Dehnung: 15%; Härte HBW: 269; Löschen und Temperieren von Härte: 55 Stunden.

Mechanisches Verhalten
1.4112 ist ein martensitischer Edelstahl mit hohem Kohlenstoff. Zu den mechanischen Eigenschaften gehören hauptsächlich Festigkeit, Härte, Zähigkeit usw. Aufgrund seines hohen Kohlenstoff- und Chromgehalts weist dieser Stahltyp eine hohe Festigkeit und Härte auf und kann mehr Druck und Verschleiß standhalten. Gleichzeitig ist dieser Stahltyp aufgrund seiner guten Zähigkeit nicht leicht zu verlegen und kann in komplexeren Umgebungen verwendet werden. Resistent gegen Korrosion durch milde Atmosphäre, Süßwasserdampf, Ammoniak, viele Erdölprodukte und organische Materialien und eine Vielzahl schwach saurer Umgebungen. Die Tempelstemperatur ist sehr niedrig und die Härte nach dem Löschen ist hoch. Die Härte erreicht normalerweise HRC56-58. Es hat eine gute Korrosionsbeständigkeit (magnetisch) und starke Zähigkeit.
Anwendungsbereiche
Da 1,4112 Edelstahl eine hervorragende Korrosionsbeständigkeit und mechanische Eigenschaften aufweist, wird er in Erdöl, chemischen Industrie, Meeresentwicklung, Automobilen, Lebensmitteln und anderen Feldern häufig verwendet. In der Erdöl- und Chemieindustrie wird es aufgrund seiner hervorragenden Korrosionsbeständigkeit zur Herstellung von Reaktoren, Rohrleitungen und anderen Geräten verwendet. Auf dem Gebiet des Marine Engineering wird es verwendet, um wichtige Teile von Schiffen und Offshore -Plattformen herzustellen. Im Automobilfeld wird es verwendet, um Komponenten wie Abgassysteme und Befestigungselemente herzustellen. Im Lebensmittelfeld wird es aufgrund seiner guten hygienischen Eigenschaften zur Herstellung von Küchengeräten und Lebensmittelverarbeitungsgeräten verwendet.
Prozessleistung
Die Prozesseigenschaften von 1,4112 Edelstahl umfassen hauptsächlich Schweiß-, Wärmebehandlungs- und Verarbeitungseigenschaften. Dieser Stahltyp hat eine gute Schweißleistung und kann mit verschiedenen Schweißmethoden geschweißt werden. Wärmebehandlung kann ihre mechanischen Eigenschaften und die Korrosionsbeständigkeit verbessern, aber es muss darauf geachtet werden, dass ein Riss oder Verformungen durch Überhitzung oder Überkühlung verhindern. Es verfügt über eine gute Verarbeitungsleistung und kann zum Drehen, Mahlen, Bohrungen, Tippen und anderen Verarbeitungsvorgängen verwendet werden. Seine Nachteile sind, dass es klebrig ist und sich schnell erhitzt, aber es ist einfacher zu schleifen als jeder Kohlenstoffstahl und ist mit einer Handsäge viel einfacher zu schneiden.
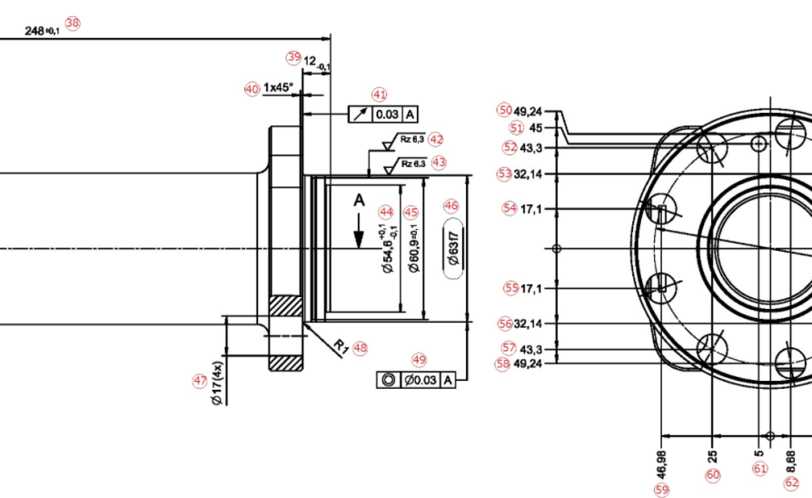
Teileverarbeitungsanforderungen

Die höchste Verarbeitungsgenauigkeit beträgt 0,03 mm, die höchste Glätte ist rz1um und die Konzernie aller äußeren kreisförmigen Oberflächen liegt innerhalb von 0,03 mm.
Verarbeitung
Gießen: Verwenden mit mittlerem Temperaturwachs verlorenes Wachs -Präzisionsguss.

Bearbeitung: Die Drehmaschine hält ein Ende der Klauenklemme, kooperiert mit dem Mittelrahmen, verarbeitet den äußeren Kreis als Präzisionsreferenz, verarbeitet dann das innere Loch, führt raues Drehen und feines Drehen durch, um die inneren und äußeren Oberflächen zu verarbeiten und die Außenkreise zu verarbeiten und die Endgewinge beider Enden zu verarbeiten.
Detaillierter Bearbeitungsprozess
1. Halte das Innenloch auf zwei Seiten. Raue Bearbeitung zwei Seiten (Größe 10,15,16,20,27,28,30,35,36,37,38) und die gesamte Oberfläche;

2. Klemmen Sie die linke Seite und halten Sie die OD -Oberfläche. Die rechte Seite und die Innenlöcher bearbeiten. Raue Bearbeitungsgröße Nr. 27 --- 45. Bearbeitungsgröße Nr. 72;

3. Klemmen Sie die rechte Seite und halten Sie die OD -Oberfläche, raue Bearbeitung der linken Seite, grobe Bearbeitungsgröße Nr. 9,10,11,12,13,14,15,16,20,21 und 57—64;

4. Halten Sie von der rechten Seite das Loch von der rechten Seite. Es ist die Basis A. Halten Sie das Teil vom linken Seitenloch. Machen Sie die endgültige Bearbeitung auf beiden Seiten. Bearbeitungsgröße Nr. 9, 10-16,20,21. Und 23-45;

5.CNC Bearbeiten der Löcher, auf beiden Seiten fädeln;
6. Größe Nr. Nr. 2,4,6,8. 46—56.
Schleifen und Polieren: Reservieren Sie 0,05 mm für die Verarbeitungszulage von Mühlen, internes Schleifen + Honen.
Wärmebehandlung: Glühen, langsame Kühlung bei 800 ~ 920 ℃; Löschen, Ölkühlung bei 1000 ~ 1050 ℃; Temperierung 200 ~ 300 ℃; 96H -Wärmebehandlung und Temperierung.
Materialbericht

CMM -Tests

Drucktest
